KELEBIHAN
• Kebolehpercayaan yang Tinggi
Dengan DC FUSE
Dengan Peranti Perlindungan Lonjakan DC
Dengan pemutus litar DC atau suis pengasingan beban DC
• Kebolehsuaian yang Kuat
Reka bentuk IP65, kalis air, anti habuk dan anti ultraviolet.
Ujian ketat untuk suhu tinggi dan rendah, digunakan secara meluas.
Pemasangan yang mudah, pendawaian sistem yang dipermudahkan, pendawaian yang mudah
Badan kotak diperbuat daripada keluli tergelek sejuk dan bahan logam lain
• Konfigurasi fleksibel
Digunakan untuk modul solar silikon kristal tunggal, modul solar silikon polihablur, modul solar filem nipis. Penarafan semasa fius fotovoltaik, pemutus litar, suis pengasingan beban diubah suai

PENERANGAN
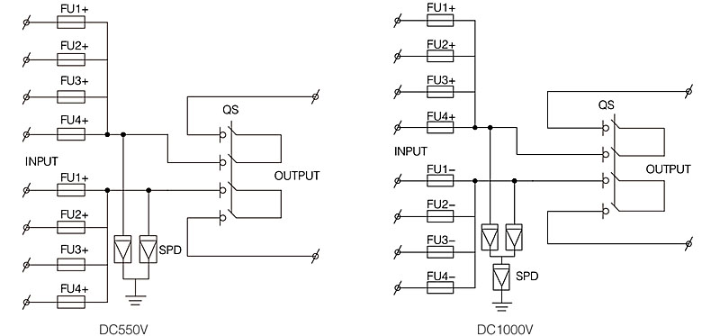
Kotak penggabung SHLX-PV4/1 DC sesuai untuk penyongsang (voltan input MAX DC550V/DC1000V, saluran input 4 PV, 1 saluran keluaran, penyongsang MPPT tunggal). Badan kotak diperbuat daripada bahan kejuruteraan PVC, dengan ujian untuk kalis api, kenaikan suhu, anti hentaman, anti ultraviolet, dan ujian lain. Gred perlindungan IP65.
Reka bentuk dan konfigurasi, mengikut ketat dengan "Spesifikasi teknikal untuk peralatan simpang fotovoltaik" CGC/GF 037:2014. Berikan pengguna produk sistem fotovoltaik yang selamat, ringkas, cantik dan terpakai.
PARAMETER TEKNIKAL

GAMBARAJAH SKEMATIK






























